Aménagement d’une petite entrée de maison à Hombourg
PAR QUI ?
Caroline, architecte d’intérieur HOMER® dans le Haut-Rhin
OÙ ?
Hombourg – Haut-Rhin (68)
POUR QUI ?
Une famille de 4 personnes
OBJECTIFS
Créer une entrée structurée, fonctionnelle et lumineuse
MOMENT DE VIE
Amélioration du cadre de vie
STYLE
Fonctionnel, sobre, chaleureux
SUPERFICIE
155 m² maison (3m²entrée)
BUDGET
70 000 € (rénovation complète)
Vous avez un projet pour votre intérieur ? Faites appel à un HOMER® un architecte d’intérieur spécialiste de l’optimisation de l’espace de l’habitat !
Vous rêvez de devenir votre propre architecte d’intérieur ? Rejoignez l’Atelier HOME Découverte et concrétisez votre projet !
Comment aménager une petite entrée de maison pour qu’elle soit à la fois pratique, lumineuse et agréable au quotidien ? À Hombourg, dans le Haut-Rhin, Caroline – architecte d’intérieur HOMER® – a repensé cet espace étroit, coincé entre escalier et toilettes, pour en faire un sas accueillant, structuré et parfaitement adapté à la vie de cette famille de quatre personnes.
Repenser la petite entrée d’une maison pour mieux accueillir
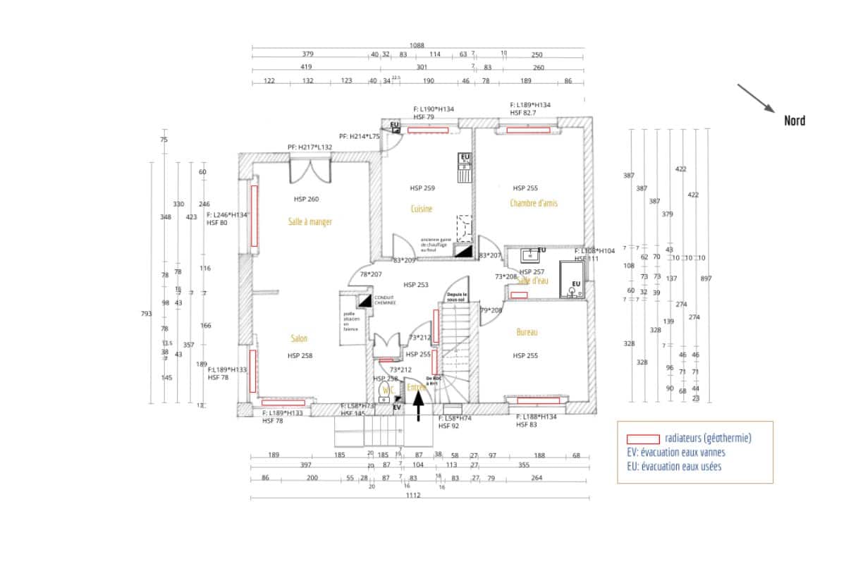
Dans cette maison ancienne de 155 m², récemment acquise par une famille avec deux enfants, l’entrée représentait l’un des points faibles du logement. Coincée entre les toilettes et l’escalier, sans rangement, elle ne permettait ni de déposer les affaires, ni de ralentir l’arrivée dans la pièce de vie.
Marion et Pierre-Adrien ont confié à Caroline – architecte d’intérieur HOMER® – la conception complète des plans et le suivi du chantier pour réorganiser l’ensemble des espaces. La maison a été entièrement rénovée sur six mois, avec une attention particulière portée à l’entrée, repensée pour répondre aux usages réels de la famille : créer un sas d’accueil pratique, structuré et lumineux.
Les solutions concrètes d’aménagement pour agrandir, structurer et optimiser une petite entrée de maison
Prolonger et cloisonner pour créer un vrai hall d’entrée
Caroline a proposé de retirer la cloison d’origine et de la reconstruire plus en retrait, afin de gagner en profondeur et de créer un véritable sas d’accueil. Résultat : un espace mieux proportionné, qui ralentit la circulation dès l’entrée, tout en facilitant le rangement. L’accès au poêle alsacien a par ailleurs été conservé, pour permettre son approvisionnement depuis l’entrée.
Installer un linéaire de rangement discret et efficace
Un linéaire de rangement sur mesure a été réalisé côté gauche de l’entrée. Fermé par un rideau textile, il accueille les chaussures, manteaux, sacs et accessoires de la famille. Le choix du rideau – plus souple et discret qu’un meuble à portes – permet de préserver la légèreté visuelle de cette petite entrée.
Préserver la lumière naturelle malgré les cloisons
Côté lumière, tout a été pensé pour éviter l’effet de cloisonnement : la porte d’entrée et la porte intérieure sont toutes deux vitrées, et une verrière côté cuisine laisse passer la lumière jusqu’à l’entrée. Même la porte des toilettes, traitée en blanc, contribue à l’ambiance claire et apaisante du lieu.
💡 Ce projet montre qu’aménager une petite entrée fonctionelle ne tient pas qu’à quelques patères au mur. En déplaçant une cloison, en installant des rangements malins et en laissant passer la lumière, Caroline a transformé un coin étroit en véritable sas d’accueil familial. Un espace désormais clair, fluide et fonctionnel, qui accompagne le quotidien sans s’imposer.
Le plan initial prévoyait un banc coffre, mais les habitants ont préféré un aménagement plus décoratif, avec une console et un miroir. Le projet posait les bases, les habitants ont fait le reste !
PLAN EXISTANT
ZOOM SUR L’ENTRÉE
AVANT
APRÈS
© Visuels Caroline, architecte d’intérieur HOMER®
Caroline
Architecte d’intérieur HOMER® dans le Haut-Rhin
Après une première vie en tant qu’orthophoniste, Caroline a choisi de se consacrer à sa passion : imaginer des intérieurs bien pensés, lumineux et faciles à vivre. Elle aime créer des espaces où chaque chose a sa place, sans superflu, mais toujours avec chaleur. Avec son œil pratique et sa sensibilité aux usages du quotidien, elle accompagne les familles dans des projets sur mesure, fonctionnels et durables.

